一、BFAD型防爆電動閥門控制器概述:
BFAD型防爆電動閥門控制器是在我公司原BFA系列控制器基礎上重新開發的新一代智能型控制器,適用于易燃易爆的場合(煤礦、化工、石油、電力等行業),具有產品安全系數高,操作功能強,性能穩定等優勢。該裝置在控制器中采用了微處理器技術,使得電動裝置控制器的控制功能、對電動裝置的保護功能、對不同廠家電動裝置的適應能力有了顯著的提高,同時降低了對安裝調試人員的技術要求。它完全滿足在易燃易爆的場合下,自動控制系統對電動閥門的控制要求。

型號編制說明:

二、BFAD型防爆電動閥門控制器特點:
1、控制器殼體采用鋼板焊接,表面高壓靜電噴塑,外形美觀、抗爆等級高,可直接在易燃易爆環境中使用;
2、可以通過可視化防爆玻璃窗看見閥門的開度數字顯示,零點滿度自動設定,閥門的開度顯示非常直觀;
2、箱體上的閥開、閥關、外控/本機、力矩/保護均是LED顯示,開、關向工作過程閃光提示;
3、具有按鍵音提示、開關向出力矩保護,電機過電流、電機過熱、堵轉等保護功能,出現故障會有聲光報警(帶消音功能),電源相序自動邏輯校正等功能;
4、可以根據客戶要求出廠時設定電動閥門由全關位置啟動開閥時超越力矩,使電動裝置以最大力矩打開閥門 (此功能可解決閥門長時間不用出現粘滯等故障);可以根據客戶要求出廠時設定電動閥門由非全關位置啟動關閥時 超越行程,使電動裝置以最大力矩關閉閥門(對于楔形、金屬密封等閥門非常適用)。

三、BFAD型防爆電動閥門控制器技術數據
1.工作電壓:380V/50Hz(三相四線),220V / 50Hz(單相)需定做;
2.工作環境
Ø 環境溫度:-20~40℃
Ø 相對濕度:≤80%(20±5℃時)
Ø 周圍不得有強腐蝕性
3、選型參考:
規格型號額定功率(KW)額定電流(A)重量(Kg)
BFAD-1P≤0.1I≤13
BFAD-20.1
BFAD-31.1
BFAD-42.2
4、產品防爆等級:ExdeⅡBT6,防護等級IP65;
四、BFAD型防爆電動閥門控制器安裝調試
1、原則: (1)安裝人員必須有電工安全操作證,按照相關規范安裝;
(2)機箱內部有高壓,務必接受PE保護接地端,非展業人員請勿帶電拆卸機箱;
2調試方法:
(1)必須保證電動裝置機械部分已經調試完并且能正常工作,有關電動裝置機械部分的調試請見電動閥門的說明書。
(2)用電纜參照本說明書所附電原理圖將控制器端子和電動裝置的端子連接起來,如果用戶所訂購的電動裝置不帶現場外制按鈕,編號為12、13、14的接線端子不接即可,不會影響控制器的其他功能。
(3)把三相電源分別接到A、B、C、N端子上,編號為D1、D2、D3的接線端子接電動裝置的電源。確認無誤后接通電源,檢查控制器是否設置在“本機”狀態下,如果不是請按動轉換按鈕將控制器設置為“本機”狀態。用手輪將電動閥門開啟至約50%的開度?刂破骶哂须娫聪嘈蜃詣舆壿嬓Uδ堋?刂破鞒醮瓮姇r按動開閥按鍵電動裝置運行有兩種可能:一種可能是按正確方向運行,閥開指示燈閃亮,電動裝置開向運行直至全開位置停止,閥開指示燈常亮,開度顯示自動設定為100%。然后按動關閥按鍵,電動裝置關向運行,閥關指示燈閃亮,電動裝置關向運行直至全關位置停止,閥關指示燈常亮,開度顯示自動設定為0%。另一種可能是按錯誤方向運行,雖然閥開指示燈閃亮,但是電動裝置關向運行,直至全關位置停止,閥關指示燈常亮,開度顯示自動設定為0%,此時控制器自動邏輯校正電源相序3秒鐘后,電動裝置將自動向開向運行,閥開指示燈閃亮,電動裝置開向運行直至全開位置停止,閥開指示燈常亮。開度顯示自動設定為100%?刂破鞒醮瓮姇r,按動關閥按鍵,電動裝置運轉過程同上,只是運行方向相反。至此控制器與電動裝置的安裝調試完畢。邏輯相序校正功能只能用在調試過程中,如果相應的閥門很重要建議人工調整相序!
(4)電動裝置在開向或關向運行中,按動停按鍵,電動裝置將停止在此時的位置,在電動裝置靜止狀態時按動此鍵,則是消音。
(5)按動轉換按鍵控制器為“外控”工作狀態?刂破骶幪枮12、13、14的接線端子接輸入控制信號(無源觸點)線?刂齐妱友b置的開啟和關閉,12為輸入公用端,13為開閥端,14為關閥端。部分廠家的電動裝置具備現場開關按鈕,將其接至此端子即可實現電動裝置的現場控制。同時其也可以作為計算機、PLC控制電動裝置的輸入信號端子(必須是無源接點28VAC/100mA)。
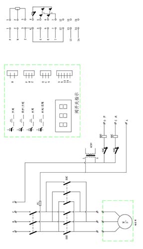
(6)BFAD型防爆電動閥門控制器電路原理圖











陜公網安備 61010402000001號